Проверка космофоторекомендаций 1991 года в Шаимском нефтедобывающем районе

 

Я.Р. Бертрам, А.Л. Клопов, М.В. Ларина (АУ «НАЦ РН им. В.И. Шпильмана»)

Одной из задач выполняемой в начале 90-х годов региональной научной российской Программы «ПОИСК» являлось обнаружение в Западной Сибири рядом со «старыми» месторождениями новых промышленных скоплений УВ — сырья. Возможность ее экспрессного решения на начальном поисковом этапе руководитель-координатор Программы академик А.А.Трофимук видел в дистанционном (космодешифрирование) способе. Первоочередным районом применения способа космодешифрирования он предложил Шаимский.

Академик еще в 1960 году считал этот район весьма перспективным. Через два дня после испытания исторической скважины (пробуренной возле устья р. Мулымья – правого притока Конды) он заявил: «Значение Шаимского месторождения, особенно сейчас, после успешного испытания скважины №6, трудно переоценить. Прежде всего, это первая большая нефть Сибири, имеющая бесспорный промышленный потенциал. По имеющимся теперь данным, можно сказать, что Конда в самом недалеком будущем станет крупным нефтепромыслом страны» [Нефть и газ Тюмени в документах. Свердловск, 1971, с.191].
Шаимский район космофотонефтепрогнозно закартирован в 1991 году при выполнении работ: «Составление космофотонефтепрогнозных карт масштабов 1:200 000 – 1:1 000 000 в центральной части Западно — Сибирской провинции» (отчет по договору 269/109 с НПП «Сибгео», авт. А.Л. Клопов, Тюмень, ЗапСибНИГНИ, 1991, фонды «Сибгео», ВГФ, с.75-78, граф. прил. 4). По результатам исследований по этому договору составлена и официально принята в Программу «ПОИСК» рекомендация 109-06: «Предложения по проверке нефтеперспективных космофотоаномалий в Шаимском районе» (карта, пояснительная записка).

Район расположен на Кондинском левобережье в бассейне рек Мулымья и Бол. Тап (рис.2). Его площадь около 14 тыс. км2. В 1960 году здесь было открыто первое в Западной Сибири месторождение нефти; на следующий год — Мортымья – Тетеревское, затем – Убинское. С 1964 года началась промышленная эксплуатация нефтяных залежей. Этот «старый», достаточно хорошо изученный сейсморазведкой и глубоким бурением нефтедобывающий район послужил полигоном проверки надежности космофотографического нефтепрогнозирования.

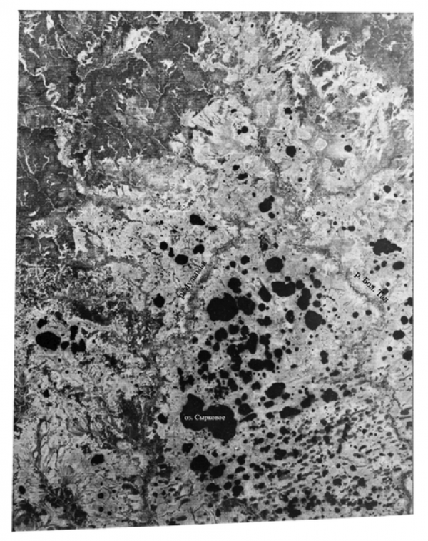
Для такой обширной территории за короткий срок, установленный руководителями Программы «ПОИСК», оказалось возможным только экспрессное нефтепрогнозное дешифрирование, когда выявлялись нефтеперспективные космофотоаномалии (КФА). Изучались черно-белые космические снимки (КС), полученные летом высокоорбитными спутниками «Метеор», «ERTS» (рис.1). Снимки, хотя и мелкомасштабные, но имеют разрешающую способность, достаточную для картирования на региональном масштабном уровне.

Рис. 1. Космическое фотоизображение южной части Шаимского нефтегазоносного района

Рис.1. Космическое фотоизображение южной части Шаимского нефтегазоносного района.

По результатам их космодешифрирования составлена карта перспективных КФА. Затем на нее была нанесена геолого-геофизическая информация по состоянию на 1990 год. Оказалось, что в районе, кроме трех отмеченных выше месторождений, открыты еще пятнадцать: Потанайское (1965 г.), Филипповское (1967 г.), Картопьинское (1968 г.) и др. Семнадцать разведанных и разрабатываемых здесь нефтяных месторождений попали в контуры КФА (только Малопотанайское в них не попало), интерпретируемых как интегральное отображение продуктивных земель: а большинство «пустых», непродуктивных скважин оказалось вне таких аномалий. Это позволило считать составленную карту «Картой прогнозируемого (по космофотоаномалиям) распространения нефтеносных земель в южной части Шаимского района, масштаб 1:200000»

При ее изучении сделан вывод: «Потенциал нефтегазоносности этого «старого» добывающего района далеко не исчерпан. Здесь ожидается открытие не одного промышленного скопления УВ с размерами не менее Узбекского месторождения, причем на площадях, в большинстве случаев примыкающих к зонам нефтеэксплуатации. Такие, перспективные по дистанционной оценке, площади и участки рекомендуются для детального геолого-геофизического изучения …»

Семь таких космофоторекомендаций (четыре участка и три площади с неустановленной нефтеносностью) вынесены на рассматриваемую карту в виде контуров объектов с указанием их площади (км2), очередности, масштаба и методов детализации. На каждом рекомендованном объекте прогнозировалось открытие промышленного скопления нефти.

Рис. 2. Шаимский район регионального космофотонефтепрогнозированя 1991 года. Участки и площади проверки временем. Участки: Iа – Тултьяхский, Iб – Малошушминский, II – Корсунско-Потанайский, III – Мансингъянский, IV – Окуневский. Площади: 1 – Южно-Ловинская, 2 – Восточно-Даниловская, 3 – Южно-Трехозерная. Черным выделены рекомендованные границы геолого-геофизической детализации

Рис. 2. Шаимский район регионального космофотонефтепрогнозированя 1991 года. Участки и площади проверки временем. Участки: Iа – Тултьяхский, Iб – Малошушминский, II – Корсунско-Потанайский, III-Мансингъянский, IV – Окуневский. Площади: 1- Южно — Ловинская, 2 – Восточно — Даниловская, 3 – Южно – Трехозерная. Черным выделены рекомендованные границы геолого-геофизической детализации.

Для проверки космофоторекомендаций 1991 года мы привлекли имеющиеся в АУ «НАЦ РН им. В.И.Шпильмана» «открытые» материалы по состоянию на 1.01.2012 года: месторождения, результаты глубокого бурения. Границы рекомендованных объектов были расширены с тем, чтобы «захватить» фланги месторождений, открытых до космодешифрирования. Начали проверку с так называемых участков – объектов первой очереди геолого-геофизической детализации (красные на рис.2).

«На северо-западе Шаимского района между Сыморьяхским, Филипповским и Северо — Даниловским (за границей района) месторождениями закартирована крупная (более 350 км2) космофотоперспективная площадь (с цифрой I на рассматриваемой карте). Она отнесена к группе первоочередного изучения, которое предлагается начать с Тультъяхской, а затем Вишъенской положительных сейсмоструктур. Здесь наиболее обширна территория (около 200 км2) перспективных КФА». Этот участок мы разделили на две части (а, б).

Iа – Тултьяхский участок (с красной редкой штриховкой на рис.2) расположен в бассейне верхнего течения р. Супра в непосредственной близости с Лазаревским (открытым в 1984 году) и Сыморьяхским (1988 г.) месторождениями. Его площадь в рекомендованных границах (167 км2) до 1991 года не была опоискована глубоким бурением. Площадь проверки много выше – 419 км2 — здесь были известны 4 продуктивные скважины.

За прошедшие 20 лет на проверяемом участке пробурено девять «новых» продуктивных скважин; все они оказались в контурах нефтеперспективных космофотоземель. Значительное расширение (на 36 км2) площади промышленной нефтеносности также пришлось на эти земли.

В рекомендованные границы участка попали только две «экзаменующие» скважины, открывшие новую залежь (11 км2) Сыморьяхского месторождения.

Iб – Малошушминский участок – наиболее значимая часть первого из четырех участков, рекомендованных для первоочередного нефтепоиска. Он выделен на территории между двумя «старыми» месторождениями. В его рекомендованных границах (синих на рис.3) до космодешифрирования были две скважины глубокого бурения, да и те с отрицательным результатом нефтепоиска (№10095, 10187 на левой части рис.2).

В результате нашей проверки выяснилось, что к 2012 году на участке, в рекомендованном контуре (221 км2) и на прилегающих к нему землях (276 км2), пробурено 38 продуктивных скважин, открывших шесть промышленных скоплений нефти. В контурах космофоторекомендации оказались Северо — Шушминское (1992 г.) и Малошушминское (1999 г.) месторождения, 3 залежи, 13 продуктивных скважин и 94 км2 новых «нефтяных» земель. На территории проверки более чем в два раза расширено поле «старого» Сыморьяхского месторождения (красный номер 3 на рис.3), открыто Южно — Шушминское промышленное скопление нефти и увеличен южный фланг Шушминского (за счет залежи 4); размеры приращенных земель промышленной нефтеносности (200 км2) почти кратно выше отмеченного Узбекского месторождения (площадь 27 км2).

Рис.3. Проверка временем регионального космофотонефтепрогнозирования Шаимского нефтедобывающего района (участок Iб Малошушминский). 1 -

Рис .3. Проверка временем регионального космофотонефтепрогнозирования Шаимского нефтедобывающего района (участок Iб – Малошушминский). 1 – «Старые» месторождения. 2 – Рекомендованный (1991г.) автором прогноза участок нефтепоисковых работ. 3-5 – Космофотоземли: нефтеперспективные (3), бесперспективные (4), с неясной перспективностью (5). 6 – Скважины: продуктивные (а), непродуктивные (б), малодебитные (в). 7 – «Новые» месторождения и залежи.

Скважины – открывательницы промышленных скоплений нефти попали в нефтеперспективные КФА. Только скважина 10188 оказалась в космофотоаномалиях, интерпретируемых неуверенно (с зеленой закраской на рис.3).

На северо-востоке Шаимского района расположен участок II проверки космофоторекомендаций 1991 года (см. красную редкую штриховку на рис.2). «Восточнее Потанайского месторождения выявлена вторая крупная (250 км2) площадь для детального изучения первой очереди (с цифрой II на карте). Здесь отдешифрирована меридионально ориентированная полоса (протяженностью более 30 км при ширине не менее 2,5 км) перспективных, отождествляемых с нефтеносными землями, космофотоаномалий. Проверить ее можно с изучения Корсунской сейсмоструктуры» Корсунско — Потанайский участок проверен продуктивным бурением в гораздо меньшей мере, чем предыдущий, что вполне объяснимо. В пределах рекомендованных его границ до космодешифрирования было пробурено 11 скважин; среди них ни одной с промышленными притоками нефти.

Видимо, из-за отрицательного результата нефтепоиска данная площадь в дальнейшем почти не разведывалась. По состоянию на 1.01.2012 года здесь пробурены всего лишь две скважины (№213, 502), да и те отнесены к группе с неясными результатами испытаний. Площадь проверки временем составила 961 км2. На ней пробурено 16 «экзаменующих» скважин; 7 из них не подтвердили дистанционный прогноз 1991 года – попали на земли, прогнозируемые «пустыми» за рекомендованными границами участка.

В 2003 году, по результатам геологоразведочных работ прошлых лет, в рекомендованном контуре (площадью 275 км2) открыто два небольших месторождения: Северо- Корсунское (скв.52) и Южно — Оханское (скв.31); скважиной 91 выявлена залежь нефти; общая площадь «новых» земель с промышленной нефтеносностью составила 17 км2. Все открытия оказались в перспективных космофотоземлях, подтвердив тем самым нефтепрогноз, выполненный по КС в 1991 году. На площади проверки выявлено 58 км2 «новой» нефтеносности.

Между Филипповским и Убинским месторождениями, открытыми соответственно в 1967 и 1964 годах, расположен участок III (см. рис.2). «От Убинского месторождения в северо-западном направлении на расстояние 15 км закартированы перспективные КФА в виде полосы шириной не менее 5 км. Это участок (170 км2) второй очереди детализации».. Назван нами как Мансингъянский, по известной здесь сейсмоструктуре. В рекомендованных границах площади 123 км2 была только одна («пустая») поисковая скважина (№ 10072 на рис.4).

Рис. 4. Проверка временем регионального космофотонефтепрогнозирования Шаимского нефтедобывающего района (участок III – Мансингъянский). 1 – «Старые» месторождения. 2 – Рекомендованный (1991г.) автором прогноза участок нефтепоисковых работ. 3-4 – Космофотоземли: нефтеперспективные (3), бесперспективные (4). 5 – Скважины: продуктивные (а), непродуктивные (б), малодебитные (в). 6 – «Новые» месторождения и залежь

Рис. 4. Проверка временем регионального космофотонефтепрогнозирования Шаимского нефтедобывающего района (участок III – Мансингъянский). 1 – «Старые» месторождения. 2 – Рекомендованный (1991г.) автором прогноза участок нефтепоисковых работ. 3-4 – Космофотоземли: нефтеперспективные (3), бесперспективные (4). 5 – Скважины: продуктивные (а), непродуктивные (б), малодебитные (в). 6 – «Новые» месторождения и залежь.

Через два года в этом контуре скв.10600 открыто нефтяное месторождение, разведанное затем 14 скважинами. Мансингъянское открытие по своим размерам (около 45 км2) в 1.8 раза превысило Узбекское. Кроме того, к 1995 году на участке проверки на соседних перспективных космофотоземлях открыты новые поля «старых» промышленных скоплений нефти. Все продуктивные скважины (11 шт.) подтвердили дистанционный нефтепрогноз (см. правую верхнюю часть рис.4).

В 1998 году выяснилось, что в рекомендованных контурах участка открыто еще одно месторождение (Южно – Мансингъянское, скв.10608), большая часть которого попала на перспективные, по космодешифрированию 1991 года, земли (см. третью часть рис.4). Из пяти «экзаменующих» скважин только две (№10066, 10609) не подтвердили космофотонефтепрогноз.

Всего на Мансингъянском участке с площадью проверки 314 км2 выявлено 74 км2 «новой» нефтеносности, открыты два сравнительно (с Узбекским) крупных месторождения, подтвердивших дистанционный прогноз. Скважина 10472, пробуренная на новой площади Южно-Мансингъянского скопления нефти, этот прогноз не подтвердила. В остальных 16 пунктах проверки только в трех (скв. 10066, 10468, 10478) получена оценка «нет» (неподтверждение). На рекомендованной площади (синие границы на рис.) открыто 47 км2 земель с промышленной нефтеносностью (ожидались – 27 км2).

Участок IV – Окуневский назван по сейсмоструктуре, выявленной на юге-западе района.

«Окуневская структура рассматривается в числе перспективных площадей, несмотря на то, что в присводовой ее части пробурены 4 оказавшиеся нерезультативными скважины (скв.49, 50,51,0364). Космофотоаномалии соединяют ее и Мортымья – Тетеревское месторождение в единое поле (см. площадь IV на граф. прил). Космофотонефтеперспективные земли занимают здесь не менее 200 км2. Это первоочередной объект детального изучения (на площади около 350 км2)» .

Участок (с красной редкой штриховкой на рис.2) расположен в непосредственной близости к месторождениям: отмеченному (открытому в 1961 году), Трехозерному (Шаимскому, 1960 г.), Узбекскому (1988 г.). На площади проверки (720 км2) до 1991 года было пробурено 50 скважин, 30 из них – «пустые» (непродуктивные) и лишь 17 — продуктивные. Обучающая нефтепрогнозное космодешифрирование в рекомендованном контуре информация оказалась с отрицательным знаком: семь скважин из девяти непродуктивных попали на перспективные космофотоземли.

В 1995 году на крайнем юго-востоке участка, предлагаемого для первоочередного изучения, открыто небольшое (8 км2) Маломортымьинское месторождение. Скважина – открывательница (№10491б) подтвердила космофотонефтепрогноз. Четыре другие скважины, оказавшиеся непродуктивными, пробурены в тех же перспективных космофотоземлях рекомендованного контура (площадью 374 км2). За этим контуром 4 продуктивные скважины выявили 11 км2 «новой» нефтеносности.

Таким образом, первоочередные космофоторекомендации 1991 года успешно выдержали испытания временем. На четырех участках, рекомендованных для первоочередного изучения, бурением 34 скважин открыто семь месторождений и 6 залежей с общей площадью 177 км2 (ожидалось 108 км2 – четыре Узбекских месторождения).

Кроме участков в рассматриваемом документе отмечены три так называемые площади – перспективные объекты второй очереди детального геолого-геофизического изучения (синие на рис.2).

Первая из них – Южно — Ловинская площадь расположена на севере Шаимского района. «Ловинское месторождение по результатам детализации второй очереди участка 1 (площадью 120 км2) может быть увеличено не менее чем на 75 км2 за счет юго-восточного, в сторону Картопьинского месторождения, фланга». В пределах ее рекомендованных границ не было ни одной поисковой скважины.

Для проверки временем мы расширили ее границы до 425 км2 с тем, чтобы захватить фланги «старых» месторождений: Картопьинского, Ловинского и Пайтыхского.

В этих границах до 1991 года было пробурено 15 поисковых и разведочных скважин, и только 4 из них оказались продуктивными (рис.5).

Рис. 5. Проверка временем регионального космофотонефтепрогнозирования Шаимского нефтедобывающего района (площадь 1 – Южно-Ловинская). 1 – «Старые» месторождения. 2 – Рекомендованная (1991г.) автором прогноза площадь нефтепоисковых работ. 3-5 – Космофотоземли: нефтеперспективные (3), бесперспективные (4), с неясной перспективностью (5). 6 – Скважины: продуктивные (а), непродуктивные (б), малодебитные (в), с неясным результатом (г). 7 – «Новые» месторождения и залежи

Рис. 5. Проверка временем регионального космофотонефтепрогнозирования Шаимского нефтедобывающего района (площадь 1 – Южно-Ловинская). 1 – «Старые» месторождения. 2 – Рекомендованная (1991г.) автором прогноза площадь нефтепоисковых работ. 3-5 – Космофотоземли: нефтеперспективные (3), бесперспективные (4), с неясной перспективностью (5). 6 – Скважины: продуктивные (а), непродуктивные (б), малодебитные (в), с неясным результатом (г). 7 – «Новые» месторождения и залежи.

По состоянию на 1.01.2012 года на этой (расширенной) площади пробурено 18 «новых» скважин, в т.ч. 9 продуктивных. Почти в два раза увеличилась территория промышленной нефтеносности (172 км2) в основном за счет открытия Малокартопьинского (2003 г., скв.10653) и Амыньинского (2005 г., скв.10688) месторождений и двух новых залежей нефти (см. знак 7 на рис.5).

На рекомендованном объекте площадью 99 км2 после 1991 года пробурены четыре продуктивные скважины; три из них, в т.ч. скважина – открывательница, оказались в нефтеперспективных космофотоземлях, четвертая (скв.10279) – в «не ясных». Открытая нефтеносная площадь составила 33 км2.

Считаем, что и на Южно — Ловинской площади подтверждена региональная космофоторекомендация.

На западе Шаимского района выделена вторая перспективная площадь (см. синюю редкую штриховку на рис.2). «К востоку от Даниловского промышленного скопления УВ (в 8 км на юго-восток от скв.66) располагается узкая (2-9 км шириной) извилистая протяженностью более 25 км зона КФА, аналогичных отдешифрированных над разведанным контуром нефтеносности. Эту площадь (около 150 км2) рекомендуется изучить в первую очередь». Восточно – Даниловская площадь получила высокую нефтепрогнозную оценку по космодешифрированию, хотя в ее рекомендованных границах шесть скважин глубокого бурения дали отрицательный результат нефтепоиска.

Проверка в 2012 году показала, что и для такой небольшой (165 км2) площади дистанционный нефтепрогноз оказался надежным. Открыто Южно – Даниловское мелкое (2 км2) месторождение (1997 г., скв.10014). Скважина — открывательница дала прогнозу оценку «да», вторая продуктивная (скв.10577) – «да/нет», попав на контур нефтеперспективных космофотоземель. На площади проверки (590 км2) прирост нефтеносности составил всего 7 км2.

На юге Шаимского района располагается третья рекомендованная площадь – Южно-Трехозерная (см. синий №3 с редкой штриховкой на рис.2). «Южнее Мулымьинского месторождения (4-6 км от скв. 88, 82) выделен участок 3 (площадью более 180 км2), где по дистанционной оценке ожидается обнаружение около 50км2 нефтеносных земель». Здесь до космодешифрирования были известны пять разведочных скважин — все они оказались «пустыми». Ни одна из них не попала в перспективные КФА.

По состоянию на 2011 год прибавились только две скважины (№ 201, 203), оказавшиеся непродуктивными. Из-за отсутствия «экзаменующей» информации (продуктивных скважин, открытий) Южно – Трехозерную площадь мы считаем как не проверенную временем. Вместе с тем, она продолжает оставаться привлекательной своим соседством (в рамках территории проверки) с известным Шаимским (Трехозерным) месторождением. Оно вместе с исторической скв.6 «закрыто» полем нефтеперспективных космофотоземель.

Этой площадью заканчивается рассмотрение космофоторекомендаций 1991 года. Только один объект из семи, рекомендованных для нефтепоисковых детализаций, не имеет однозначного результата проверки глубоким бурением.

Результаты проверки временем космофотонефтепрогнозирования позволяют заключить, что выполненный и документально зафиксированный двадцать лет тому назад дистанционный прогноз нефтеносности подтвердился.

Так, по космодешифрированию ожидалось открытие не менее семи средних, соизмеримых с Узбекским (27 км2) месторождений. По состоянию на 1.01.2012 года в рекомендованных границах (выделены черным на заштрихованных объектах рис.2) открыто девять1 месторождений и семь залежей. Ни одна из скважин – открывательниц не попала в бесперспективные космофотоземли. Общая площадь (212 км2) «новых» земель с промышленной нефтеносностью почти в восемь раз превысила Узбекское месторождение.

Космофотонефтепрогноз оказался надежным и на площадях (с расширением рекомендованных контуров) проверки космофоторекомендаций. Так, в рассматриваемом документе (рекомендация 109/06) отмечено: «Таким образом, по космофотонефтепрогнозной оценке в этой части Шаимского нефтедобывающего района можно обнаружить промышленные залежи УВ по меньшей мере в семи местах с общей площадью перспективных земель не менее 700 км2». Фактически, на семи площадях проверки выявлено 566 км2 «новых» земель промышленной нефтеносности; пробурено 98 продуктивных скважин, открыто 11 нефтяных месторождений.

Вместе с тем, проверка показала: для оценки надежности дистанционного нефтепрогнозирования нельзя ограничиваться только сравнением (механическим наложением) отдешифрированных и установленных контуров нефтеносности. Контур месторождений – параметр весьма неустойчивый. В этом мы убедились выполнив временной «мониторинг» новых открытий.

К примеру, контур Убинского месторождения (открытого в 1964 году) к 1991 году выявлен бурением семи продуктивных, двух малодебитных и семи непродуктивных скважин (см. левую верхнюю часть рис.4). Через пять лет площадь месторождения увеличилась на треть (см. красную густую штриховку объекта II), а еще через три года – почти вдвое; все эти изменения произошли без каких-либо «новых» скважин. «Старый» убинский контур не узнать в нефтяном поле 2011 года, хотя за прошедшие двадцать лет здесь была пробурена всего лишь одна продуктивная скважина (№ 10469).

Не менее значительные изменения за эти годы претерпели контуры Шушминского, открытого в 1985 году и Сыморьяхского (1988 г.) месторождений (см. рис.3), но в отличие от Убинского – за счет бурения продуктивных скважин.

Более объективна «точечная» (по скважинам) проверка. Мерилом оценки надежности космофоторекомендаций мы приняли продуктивную скважину, пробуренную после космодешифрирования.

В таблицу результатов «точечной» проверки заносились следующие оценки: «Да» — полное подтверждение нефтепрогноза, когда скважина оказывалась в перспективной КФА; «да/нет» — подтверждение/неподтверждение, если скважина попадала на контур такой аномалии; «нет» — полное неподтверждение (скважина вне перспективных космофотоземель); «не ясно» — скважина в КФА, интерпретируемой неуверенно (табл.1).

Кроме того, в ней подчеркнуты номера скважин, проверяющих дистанционный нефтепрогноз на рекомендованных в 1991 году объектах (участках и площадях). Цветом выделены скважины – открывательницы. Указаны площади проверки этих объектов (км2).

В таблице содержится статистически достаточная, по нашему мнению, информация для оценки надежности выполненного двадцать лет назад космофотографического прогнозирования земель с промышленной нефтеносностью. Эта оценка проведена нами по наиболее объективному, «жесткому» варианту. Мы сознательно в группу неподтверждений отнесли все «точки» с результатами «нет», «да/нет» и «не ясно».

Таблица 1 Результаты «точечной» (продуктивными скважинами) проверки регионального космофотонефтепрогнозирования рекомендованных (1991 г.) участков и площадей Шаимского нефтедобывающего района (подчеркнуты номера скважин в рекомендованных границах участков. Выделены скважины – открывательницы «новых» месторождений (красным), залежей (зеленым)

«Точечная» проверка выполнена на семи объектах (участках и площадях) с общей площадью 3926 км2, где пробурено 98 новых продуктивных скважин (см. табл.); «фоновая» успешность дистанционного нефтепрогнозирования (64 «да»: 98) – 0.65.

В границах рекомендованных в 1991 году объектов с общей площадью 1424 км2 пробурено 40 «экзаменующих», продуктивных скважин. Успешность прогнозирования зафиксирована высокой – 0.75 (30 «да»: 40). Она позволяет заключить, что выполненный двадцать лет назад дистанционный прогноз земель с промышленной нефтеносностью оказался надежным на всех землях космофоторекомендаций.

Кроме того, мы проверили надежность космофотонефтепрогнозирование всей закартированной территории (14 тыс. км2) Шаимского района. Для этого на составленную в 1991 году карту прогнозируемого распространения нефтеносных земель нанесли поисковые участки ГРР и месторождения (по состоянию на 1.01.2012 года).

Оказалось, что почти вся эта территория «занята» лицензионными участками (ЛУ): тридцать – геологического изучения, разведки и добычи (синие на рис.6), три – геологического изучения. «Пустые» окна в поле ЛУ попали на бесперспективные космофотоземли. Все площади нефтеэксплуатации на 16 ЛУ территориально-производственного предприятия (ТПП) «Урайнефтегаз» [Пути реализации нефтегазового потенциала …, II конф., 1999 г., с.188] совпали с нефтеперспективными КФА 1991 года. Тем самым дистанционный нефтепрогноз косвенно подтвержден.

«Контурная» (сопоставление установленных и прогнозируемых контуров) проверка выявила: 18 «новых» месторождений из 25 (72%) полностью подтвердили космофотонефтепрогнозирование; два (Северо-Толумское, №21 на рис.6; Северо-Шушминское, №1) оказались в КФА, интерпретируемых неуверенно; пять проверяющих открытий (Лумутинское, №10 на рис.6; Каюмовское, №11; Западно-Семивидовское, №13; Андреевское, №19 и Урайское) попали в бесперспективные, по региональному космодешифрированию земли, дав оценку «нет». Успешность дистанционного прогнозирования земель с промышленной нефтеносностью по этому варианту оказалась ниже, чем по «точечной» (0.72 против 0.75). Но и она свидетельствует в пользу надежности выполненного с помощью космических снимков нефтепрогноза «старого» нефтедобывающего района.

Проверка показала, что нефтегазоносный потенциал Шаимского района за это время резко возрос. Если за 30 лет (1960-1990 гг.) здесь было открыто 18 нефтяных месторождений, то за последующие двадцать лет выявлено 25 «новых» промышленных скоплений нефти (с номерами на рис.6)

Этот потенциал интенсивно вырабатывается даже на «старых» месторождениях.

Так, Шаимское (Трехозерное) месторождение (см. рис.6) было введено в эксплуатацию в 1964 году; тогда было добыто 16 тыс т нефти. Через три года из его недр было извлечено около 1,3 млн т продукции. За 39 лет разработки получено почти 16 млн т нефти. На 1.01.2003 г. на месторождении от начальных извлекаемых запасов (НИЗ) осталось 5.6% [Разработка нефтяных месторождений ХМАО, 2004., с.318, 322].

На остальных участках ТПП «Урайнефтегаз» к 1998 году было добыто 168 млн т нефти, от НИЗ отобрано 68.4% [Пути реализации …, II конф., 1999., с.186]. По состоянию на 1.01.2003 года из недр извлечено 177,6 млн т продукции. Более половины этой добычи пришлось на Мортымья-Тетеревский ЛУ (восточнее объекта IV на рис.6), 19% — на Даниловский (с номером 7 на рис.); 14% (27 млн т) добыто на Толумском участке (с номером 21 на рис.), 13 млн т – на Ловинском (см. №4 на рис.); 3.8 млн т извлечено на Убинском ЛУ (объект III на рис.6) и т.д. [Разработка …, с.290-332].

Не исчерпаны запасы извлекаемой продукции на Лазаревском, Шушминском, Узбекском, Филипповском, Пайтыхском, Славинском, Мансингъянском и др. участках. «При существующем уровне добычи обеспеченность запасами ТПП «Урайнефтегаз» составляет порядка 19-20 лет» [М.Ф. Печеркин и др. Пути реализации…, II конф., 1999г., с.186]. Только на «старых» месторождениях промышленных запасов нефти осталось более 37 млн т.

Рис. 6. Участки проверки космофоторекомендаций 1991 года, месторождения и лицензионные участки (на 2011 год) Шаимского нефтедобывающего района. Границы проверок космофоторекомендаций: 1 – рекомендованные в 1991 году, 2 – фактические. Месторождения: 3 – «новые», открытые после космофотонефтепрогнозирования, 4 – «старые». Лицензионные участки: 5 – геологического изучения, разведки и добычи, 6 – геологического изучения. Участки проверки: Iа – Тултьяхский, Iб – Малошушминский, II – Корсунско-Потанайский, III – Мансингъянский, IV – Окуневский, 1 – Южно-Ловинская пл., 2 – Восточно-Даниловская пл., 3 – Южно-Трехозерная пл. Список «новых» месторождений (выделены открытые на участках проверки космофоторекомендаций): 1 – Северо-Шушминское, 2 – Малошушминское, 3 – Южно-Шушминское, 4 – Амыньинское, 5 – Малокартопьинское, 6 – Урайское, 7 – Южно-Даниловское, 8 – Южно-Мансингъянское, 9 – Мансингъянское, 10 – Лумутинское, 11 – Каюмовское, 12 – Северо- Семивидовское, 13 – Западно-Семивидовское, 14 – Южно-Валовое, 15 – Западно-Славинское, 16 – Хултурское, 17 – Малочанчарское, 18 – Турское, 19 – Андреевское, 20 – Польемское, 21 – Северо-Толумское, 22 – Восточно-Толумское, 23 – Маломортымьинское, 24 – Северо-Корсунское, 25 – Южно-Оханское

Рис.6. Участки проверки космофоторекомендаций 1991 года, месторождения и лицензионные участки (на 2011 год) Шаимского нефтедобывающего района. Границы проверок космофоторекомендаций: 1 – рекомендованные в 1991 году, 2 – фактические. Месторождения: 3 – «новые», открытые после космофотонефтепрогнозирования, 4 – «старые». Лицензионные участки: 5 – геологического изучения, разведки и добычи, 6 – геологического изучения. Участки проверки: Iа – Тултьяхский, Iб – Малошушминский, II – Корсунско-Потанайский, III – Мансингъянский, IV – Окуневский, 1- Южно-Ловинская пл., 2 – Восточно-Даниловская пл., 3 – Южно-Трехозерная пл. Список «новых» месторождений (выделены открытые на участках проверки космофоторекомендаций): 1 – Северо-Шушминское, 2 – Малошушминское, 3- Южно-Шушминское, 4 – Амыньинское, 5 – Малокартопьинское, 6 – Урайское, 7 – Южно-Даниловское, 8 – Южно-Мансингъянское, 9 – Мансингъянское, 10 – Лумутинское, 11 – Каюмовское, 12 – Северо-Семивидовское, 13 – Западно-Семивидовское, 14 – Южно-Валовое, 15 – Западно-Славинское, 16 – Хултурское, 17 – Малочанчарское, 18 – Турское, 19 – Андреевское, 20 – Польемское, 21 – Северо-Толумское, 22 – Восточно-Толумское, 23 – Маломортымьинское, 24 – Северо-Корсунское, 25 – Южно-Оханское.

Из недр Мортымья–Тетеревского ЛУ, например, можно извлечь более 13 млн т [Недропользование в ХМАО – Югре в 2009 году, 2010г., с.39]. На Даниловском месторождении в запасе (по категории АВС1) около 12 млн т нефти, на Потанайском (с Картопьинском) – более 3 млн [Недропользование.., 2012г., с.38], на Сыморьяхском – более 5 млн т. Даже на старейшем нефтепромысле – Трехозерном ожидается добыть еще 273 тыс. т продукции из запасов АВС1 [Недропользование …, 2010г., с.41].

Практически не вовлечены в разработку запасы доюрского комплекса (ДК) Шаимского района, где выделены четыре категории площадей различной перспективности. «Высокоперспективные земли – это те площади, на которых получены притоки углеводородов из ДК … Земли этой категории выделяются в пределах Северо-Даниловского, Даниловского, Потанайского, Убинского, Толумского, Мортымья-Тетеревского и Мулымьинского месторождений» [Пути реализации …, 1999г., с.183]. На каждом из них выявлено несколько (до 12 – на Даниловском) небольших (2-3 км2, реже 10-15 км2) залежей. Дебиты нефти, полученной из них, варьируют в пределах 0.1 – 0.3 до 100 – 115 т/сут, составляя в среднем 10-25 м/сут.

Изложенная информация убеждает, по нашему мнению, что предвидение академика А.А. Трофимука о промышленной будущности Шаимского района сбылось.